ATEC CO., LTD.

  • PLANEVEYOR Division TEL +81-562-85-3101
  • POWER TOOL Division TEL +81-562-46-9003
Product Introduction

PVseries

  • STEEL
  • STAINLESS
  • RESIN
  • RoHS
  • PAT
  • PAT.P

Planeveyor is the lowest price among general lineup of Planeveyor and it is a press molded product series with high versatility.

We are also preparing dust discharge device which adopted the original spherical surface (PAT.P) for some of our series with wide specifications for light load to heavy load.

PV15 PV15

PV15S PV15S

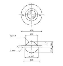
Drawing: PV15

Model Recommended Load Capacity Weight Use Direction Main Ball Small Balls Body Cover
PV15 147N (15kgf) 52g Upward STEEL STEEL SUS304 SS
PV15S 147N (15kgf) 49g Upward SUS440C SUS440C SUS304 SUS304

PV30 PV30

PV30S PV30S

PV30J PV30J

Drawing: PV30

Model Recommended Load Capacity Weight Use Direction Main Ball Small Balls Body Cover
PV30 294N (30kgf) 147g Upward STEEL STEEL SUS304 SS
PV30S 294N (30kgf) 138g Upward SUS440C SUS440C SUS304 SUS304
PV30J 78.4N (8kgf) 92g Upward POM SUS440C SUS304 SS

PV50H PV50H

PV50HS PV50HS

Commentary: PV50H

Drawing: PV50H

Model Recommended Load Capacity Weight Use Direction Main Ball Small Balls Body Cover
PV50H 490N (50kgf) 142g Upward STEEL STEEL SUS304 SS
PV50HS 490N (50kgf) 134g Upward SUS440C SUS440C SUS304 SUS304

PV80 PV80

PV80S PV80S

Commentary: PV80

Drawing: PV80

Model Static Rated Load Load Rating Weight Use Direction Main Ball Small Balls Body Cover
PV80 1,960N (200kgf) 784N (80kgf) 219g Upward STEEL STEEL SCM415 SS
PV80S 1,960N (200kgf) 784N (80kgf) 220g Upward SUS440C SUS440C SUS440C SUS304

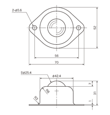
PV120H PV120H

PV120HS PV120HS

Commentary: PV120H

Drawing: PV120H

Model Static Rated Load Load Rating Weight Use Direction Main Ball Small Balls Body Cover
PV120H 1,960N (200kgf) 1,176N (120kgf) 230g Upward STEEL STEEL SCM415 SS·SUM
PV120HS 1,960N (200kgf) 1,176N (120kgf) 232g Upward SUS440C SUS440C SUS440C SUS304

PVP30J PVP30J

Drawing: PVP30J

Resin molding type
Original spherical surface (PAT.P) was adopted for resin molding type.
Compared to the conventional resin molded type, the weight of the load applied to the weak body is dispersed, making it possible to use it more smoothly for a long time.

Model Recommended Load Capacity Weight Use Direction Main Ball Small Balls Body Cover
PVP30J 78.4N (8kgf) 38g Upward·Downward POM*1 SUS304*1 POM POM

*1: The material of large / small balls can be changed.

PV15U PV15U

PV15US PV15US

PV15UJ PV15UJ

Drawing: PV15U

Model Recommended Load Capacity Weight Use Direction Main Ball Small Balls Body Cover
PV15U 98N (10kgf) 48g Upward STEEL STEEL SUS304 SS
PV15US 98N (10kgf) 46g Upward SUS440C SUS440C SUS304 SUS304
PV15UJ 49N (5kgf) 28g Upward POM SUS440C SUS304 SS

PV30U PV30U

PV30US PV30US

PV30UJ PV30UJ

Drawing: PV30U

Model Recommended Load Capacity Weight Use Direction Main Ball Small Balls Body Cover
PV30U 294N (30kgf) 134g Upward STEEL STEEL SUS304 SS
PV30US 294N (30kgf) 130g Upward SUS440C SUS440C SUS304 SUS304
PV30UJ 78.4N (8kgf) 77g Upward POM SUS440C SUS304 SS

PV50UH PV50UH

PV50UHS PV50UHS

Commentary: PV50UH

Drawing: PV50UH

Model Recommended Load Capacity Weight Use Direction Main Ball Small Balls Body Cover
PV50UH 490N (50kgf) 136g Upward STEEL STEEL SUS304 SS
PV50UHS 490N (50kgf) 132g Upward SUS440C SUS440C SUS304 SUS304

PV30UX PV30UX

Drawing: PV30UX

One-step mounting type
This Planeveyor is easily installed having just one step operation, no need to bolt the main body,
Simplifying the mounting process makes it possible to remove it without tools.

Model Recommended Load Capacity Weight Use Direction Main Ball Small Balls Body Cover
PV30UX 294N (30kgf) 150g Upward STEEL STEEL SUS304 SS

PV30-B PV30-B

PV30-BJ PV30-BJ

Drawing: PV30-B

Model Recommended Load Capacity Weight Use Direction Main Ball Small Balls Body Cover
PV30-B 294N (30kgf) 164g Upward STEEL STEEL SUS304 SS
PV30-BJ 78.4N (8kgf) 106g Upward POM STEEL SUS304 SS

PV5-C PV5-C

Drawing: PV5-C

PV8-C PV8-C

Drawing: PV8-C

Spring cushion type
It is Planeveyor that can receive the work load with the built-in spring by the entire Planeveyor.

Model Setting Pressure Weight Maximum Pressure Weight Weight Use Direction Main Ball Small Balls Body Cover CAD
PV5-C 49N (5kgf) 68N (7kgf) 18g Upward STEEL STEEL SS SS Download CAD
PV8-C 78N (8kgf) 107N (11kgf) 40g Upward STEEL STEEL SS SS Download CAD